PVC tvarovka - Šroubení 20 mm

|
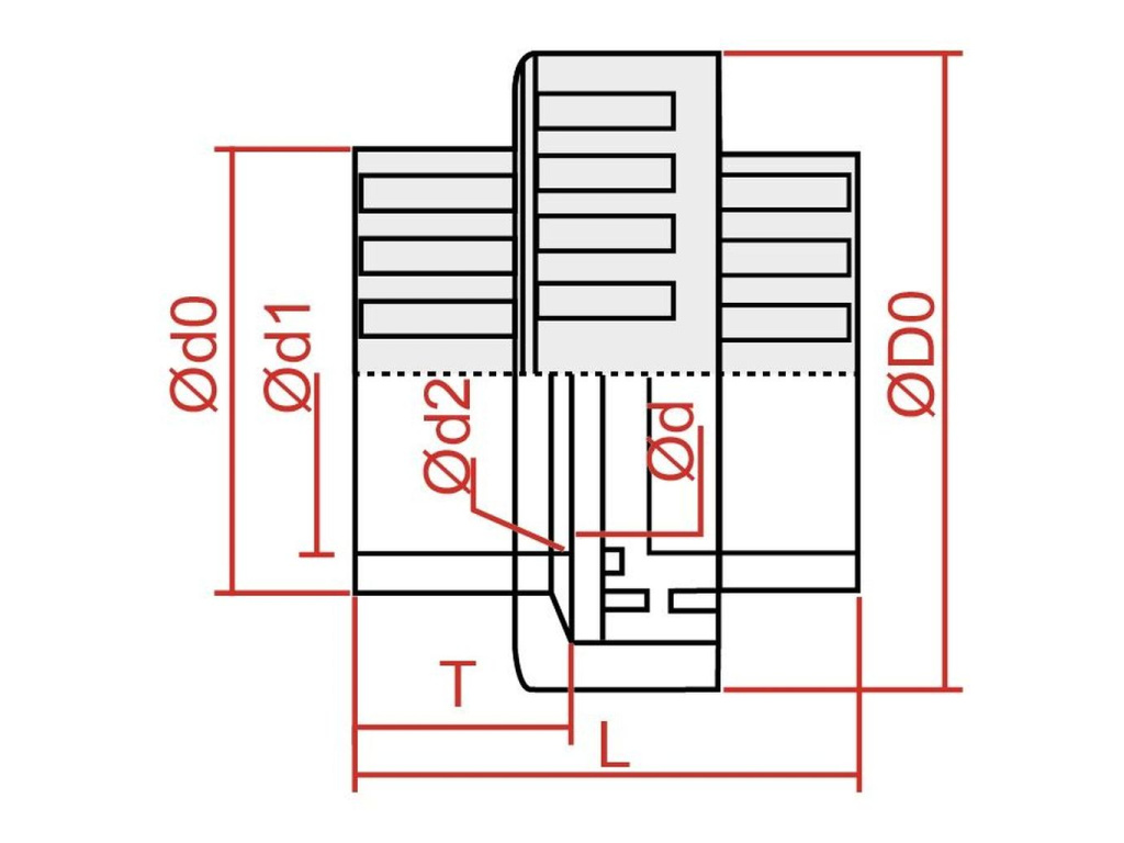
DN |
DO |
d0 |
d1 |
d2 |
d |
T |
L |
|
20 |
45,50 |
26,00 |
20,24 |
19,96 |
19,00 |
17,00 |
53,00 |
|
25 |
54,50 |
32,00 |
25,24 |
24,95 |
24,00 |
19,5 |
59,8 |
|
32 |
65,00 |
39,50 |
32,25 |
31,95 |
31,00 |
23,00 |
68,5 |
|
40 |
75,50 |
48,50 |
40,28 |
39,95 |
39,00 |
27,00 |
80,5 |
|
50 |
88,50 |
59,00 |
50,33 |
49,94 |
49,00 |
32,00 |
94,00 |
|
63 |
102,00 |
74,50 |
63,34 |
62,93 |
62,00 |
38,5 |
110 |
|
75 |
122,60 |
86,00 |
75,35 |
74,93 |
73,50 |
44,50 |
104,7 |
|
90 |
140,70 |
101,20 |
90,38 |
89,93 |
88,50 |
52,00 |
121,1 |
|
110 |
163,60 |
122,20 |
110,42 |
109,92 |
108,00 |
62,00 |
147 |
Buďte první, kdo napíše příspěvek k této položce.
Buďte první, kdo napíše příspěvek k této položce.
Pouze registrovaní uživatelé mohou vkládat příspěvky. Prosím přihlaste se nebo se registrujte.
PWS (Professional Water System) je značka bazénové chemie, která na našem trhu působí již od roku 2012. Ve svém portfoliu nabízí veškeré přípravky, které potřebujete k provozování bazénů a úpravě bazénové vody. Na českém trhu s bazénovou chemií neexituje momentálně jiná značka se širším spektrem produktů.
Nejvyšší prioritou značky PWS je dlouhodobé udržení maximální možné kvality veškerých nabízených produktů s přihlédnutím k optimalizaci ekonomické stránky jejich výroby a distribuce. Pod značkou PWS naleznete pouze a výhradně důkladně otestované a prověřené přípravky bazénové chemie a další související produkty. Surovinovou základnu pro jejich výrobu tvoří prověřené zdroje a dodavatelé ze zemí Evropské unie nebo USA. Široké portfolio produktů značky PWS se tak výrazně odlišuje od tradičního dovozu a prodeje nízkonákladového zboží a produktů východoasijské provenience. Značka PWS svým zákazníkům spolehlivě deklaruje léty ověřenou kvalitu a spolehlivost svých produktů.
